2009555
/search
ObergD4
Oppdaterer, vennligst vent...
Produkter
Totalt antall treff:
Se hele resultatet...
Kategorier
Merker
Merkenavn
Artikler
Antall artikler funnet:
Ceratizit 54023 4skj skrubb - 14,0 mm
Pinnefres, HSS, belagt
620,-
20%
Tilbehør
Alternativer
Bignami 152RSMC14 4skj skrubb 14,0 mm
Artikler
Antall artikler funnet:
Personvern
Salgsvilkår
Kundesenter
Kontakt oss
Logg inn
Ingen varer i handlevognen
Ingen varer i ordreboka
produkt
produkter
(
)
(
)
(
)
Til kassen
×
Aktiv leveringsdato
Leveringsdatoer
Ordre oversikt
Handlevogn
varer i handlevognen
Klikk her for å se alle
Handlevognen er tom.
Her er du nå:
Forsiden
>
Verktøy
>
Pinnefres
>
High Speed (HSS)
>
Skrubbfres
>
Ceratizit 54023 4skj skrubb - 14,0 mm
20%
Ceratizit 54023 4skj skrubb - 14,0 mm
Pinnefres, HSS, belagt
Varenr:
CER-54023140
Alt. varenr:
54023140
620,-
eks. mva.
775,-
ink. mva.
775,-
Ordinær pris
Dimensjon fres
14,0 mm
4,0 mm (455,-)
5,0 mm (455,-)
6,0 mm (393,-)
8,0 mm (434,-)
10,0 mm (468,-)
12,0 mm (551,-)
14,0 mm (620,-)
16,0 mm (716,-)
18,0 mm (882,-)
20,0 mm (1 045,-)
22,0 mm (1 323,-)
25,0 mm (1 424,-)
28,0 mm (2 162,-)
30,0 mm (1 854,-)
32,0 mm (2 214,-)
Vis varianter som liste
-
+
Kjøp
Du blir nå videresendt til Vipps for betaling...
Legg i ønskeliste
2
På lager
Beskrivelse
Teknisk info
Alternativer
Gå til kjøp
Kjøp
Beskrivelse
Teknisk info
Produktinformasjon
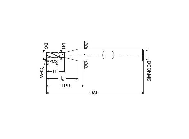
Antall skjær/ZEFP
4
Anvendbar lengde/LH
36,0 mm
Hjørnefas/CHW
0,6 mm
Primære materialer
Stål(P)
Rustfritt/AISI 304/316(M)
Støpejern(K)
Redusert tange/DN
11,5 mm
Sekundære materialer
Aluminium(N)
Superlegeringer/HRSA(S)
Ikke metalliske materialer(O)
Skjær diameter/DC
14,0 mm
Skjær lengde/APMX
26,0 mm
Total lengde/OAL
83,0 mm
54028 - Produktinformasjon
Alternativer
Kjøp
Quick View+
10%
Bignami 152RSMC14 4skj skrubb 14,0 mm
Grovskrubb, ekstra kort, ubelagt, HSS
581,-
645,-
3
20%
Ceratizit 54023 3skj skrubb - 4,0 mm
Pinnefres, HSS, belagt
Varenr
CER-54023040
3
På lager
455,-
569,-
Kjøp
20%
Ceratizit 54023 3skj skrubb - 5,0 mm
Pinnefres, HSS, belagt
Varenr
CER-54023050
Forventet til lager
08.12.2025
455,-
569,-
Kjøp
20%
Ceratizit 54023 4skj skrubb - 10,0 mm
Pinnefres, HSS, belagt
Varenr
CER-54023100
5
På lager
468,-
585,-
Kjøp
20%
Ceratizit 54023 4skj skrubb - 12,0 mm
Pinnefres, HSS, belagt
Varenr
CER-54023120
5
På lager
551,-
689,-
Kjøp
20%
Ceratizit 54023 4skj skrubb - 14,0 mm
Pinnefres, HSS, belagt
Varenr
CER-54023140
2
På lager
620,-
775,-
Kjøp
20%
Ceratizit 54023 4skj skrubb - 16,0 mm
Pinnefres, HSS, belagt
Varenr
CER-54023160
6
På lager
716,-
895,-
Kjøp
20%
Ceratizit 54023 4skj skrubb - 18,0 mm
Pinnefres, HSS, belagt
Varenr
CER-54023180
2
På lager
882,-
1 102,-
Kjøp
20%
Ceratizit 54023 4skj skrubb - 20,0 mm
Pinnefres, HSS, belagt
Varenr
CER-54023200
2
På lager
1 045,-
1 306,-
Kjøp
20%
Ceratizit 54023 4skj skrubb - 22,0 mm
Pinnefres, HSS, belagt
Varenr
CER-54023220
1
På lager
1 323,-
1 654,-
Kjøp
20%
Ceratizit 54023 4skj skrubb - 25,0 mm
Pinnefres, HSS, belagt
Varenr
CER-54023250
1
På lager
1 424,-
1 780,-
Kjøp
20%
Ceratizit 54023 4skj skrubb - 6,0 mm
Pinnefres, HSS, belagt
Varenr
CER-54023060
4
På lager
393,-
491,-
Kjøp
20%
Ceratizit 54023 4skj skrubb - 8,0 mm
Pinnefres, HSS, belagt
Varenr
CER-54023080
5
På lager
434,-
543,-
Kjøp
20%
Ceratizit 54023 5skj skrubb - 28,0 mm
Pinnefres, HSS, belagt
Varenr
CER-54023280
1
På lager
2 162,-
2 703,-
Kjøp
20%
Ceratizit 54023 5skj skrubb - 30,0 mm
Pinnefres, HSS, belagt
Varenr
CER-54023300
1
På lager
1 854,-
2 318,-
Kjøp
20%
Ceratizit 54023 6skj skrubb - 32,0 mm
Pinnefres, HSS-CO 8%, belagt
Varenr
CER-54023320
Utsolgt (
3
dager)
2 214,-
2 768,-
Kjøp
Copyright © 2025 Øberg Verktøy AS - All rights reserved
Forretningssystem
og
nettbutikkløsning
levert av
Multicase™ Norge AS
Logg inn / Ny kunde
Registrer meg som kunde
Personvern
Salgsvilkår
Kundesenter
Kontakt oss
Tilbake