2012630
/search
ObergD4
Oppdaterer, vennligst vent...
Produkter
Totalt antall treff:
Se hele resultatet...
Kategorier
Merker
Merkenavn
Artikler
Antall artikler funnet:
Ceratizit 54024 4skj skrubb - 8,0 mm
Pinnefres, HSS, lang, belagt
902,-
15%
Tilbehør
Alternativer
Bignami 154RSBPKX08 4skj skrubb 8,0 mm
Bignami C153RSPFBP08 3skj finskrubb
Artikler
Antall artikler funnet:
Personvern
Salgsvilkår
Kundesenter
Kontakt oss
Logg inn
Ingen varer i handlevognen
Ingen varer i ordreboka
produkt
produkter
(
)
(
)
(
)
Til kassen
×
Aktiv leveringsdato
Leveringsdatoer
Ordre oversikt
Handlevogn
varer i handlevognen
Klikk her for å se alle
Handlevognen er tom.
Her er du nå:
Forsiden
>
Verktøy
>
Pinnefres
>
High Speed (HSS)
>
Skrubbfres
>
Ceratizit 54024 4skj skrubb - 8,0 mm
15%
Ceratizit 54024 4skj skrubb - 8,0 mm
Pinnefres, HSS, lang, belagt
Varenr:
CER-54024080
Alt. varenr:
54024080
902,-
eks. mva.
1 127,-
ink. mva.
1 061,-
Førpris
-
+
Kjøp
Du blir nå videresendt til Vipps for betaling...
Legg i ønskeliste
Ikke på lager (
3
dager)
Beskrivelse
Teknisk info
Alternativer
Gå til kjøp
Kjøp
Beskrivelse
Teknisk info
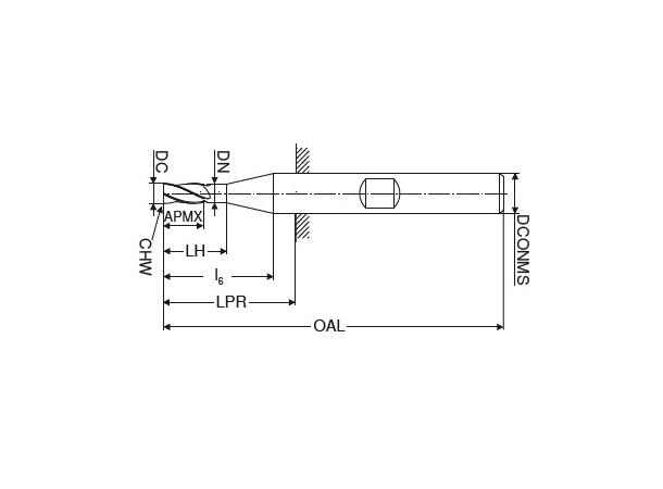
Produktinformasjon
Antall skjær/ZEFP
4
Anvendbar lengde/LH
44,0 mm
Hjørnefas/CHW
0,45 mm
Primære materialer
Stål(P)
Rustfritt/AISI 304/316(M)
Støpejern(K)
Redusert tange/DN
7,5 mm
Sekundære materialer
Aluminium(N)
Superlegeringer/HRSA(S)
Ikke metalliske materialer(O)
Skjær diameter/DC
8,0 mm
Skjær lengde/APMX
38,0 mm
Total lengde/OAL
88,0 mm
Alternativer
Kjøp
Quick View+
10%
Bignami 154RSBPKX08 4skj skrubb 8,0 mm
Grovskrubb , lang , HSS
542,-
602,-
8
Kjøp
Quick View+
10%
Bignami C153RSPFBP08 3skj finskrubb
Halvlang , belagt
752,-
836,-
1
Copyright © 2026 Øberg Verktøy AS - All rights reserved
Forretningssystem
og
nettbutikkløsning
levert av
Multicase™ Norge AS
Logg inn / Ny kunde
Registrer meg som kunde
Personvern
Salgsvilkår
Kundesenter
Kontakt oss
Tilbake