2012630
/search
ObergD4
Oppdaterer, vennligst vent...
Produkter
Totalt antall treff:
Se hele resultatet...
Kategorier
Merker
Merkenavn
Artikler
Antall artikler funnet:
CERATIZIT NR.SR.10,0.R.30°.Z3.HB.L TI100
HSS-E ROUGH MILLING CUTTER
859,-
15%
Tilbehør
Alternativer
Artikler
Antall artikler funnet:
Personvern
Salgsvilkår
Kundesenter
Kontakt oss
Logg inn
Ingen varer i handlevognen
Ingen varer i ordreboka
produkt
produkter
(
)
(
)
(
)
Til kassen
×
Aktiv leveringsdato
Leveringsdatoer
Ordre oversikt
Handlevogn
varer i handlevognen
Klikk her for å se alle
Handlevognen er tom.
Her er du nå:
Forsiden
>
Verktøy
>
Pinnefres
>
High Speed (HSS)
>
Skrubbfres
>
CERATIZIT NR.SR.10,0.R.30°.Z3.HB.L TI100
15%
CERATIZIT NR.SR.10,0.R.30°.Z3.HB.L TI100
HSS-E ROUGH MILLING CUTTER
Varenr:
CER-54027100
Alt. varenr:
54027100
859,-
eks. mva.
1 074,-
ink. mva.
1 011,-
Førpris
-
+
Kjøp
Du blir nå videresendt til Vipps for betaling...
Legg i ønskeliste
Ikke på lager (
1
dager)
Beskrivelse
Teknisk info
Gå til kjøp
Kjøp
Beskrivelse
Teknisk info
Produktinformasjon
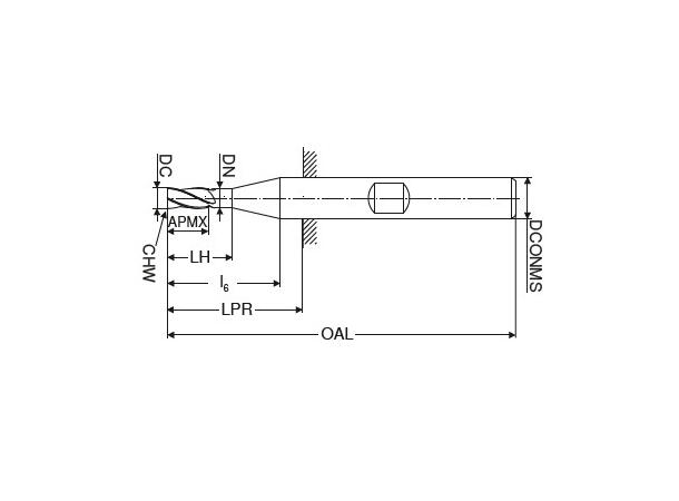
Antall skjær/ZEFP
3
Anvendbar lengde/LH
53,0 mm
Hjørnefas/CHW
0,7 mm
Primære materialer
Stål(P)
Støpejern(K)
Redusert tange/DN
9,5 mm
Sekundære materialer
Rustfritt/AISI 304/316(M)
Aluminium(N)
Superlegeringer/HRSA(S)
Ikke metalliske materialer(O)
Skjær diameter/DC
10,0 mm
Skjær lengde/APMX
45,0 mm
Total lengde/OAL
95,0 mm
Copyright © 2026 Øberg Verktøy AS - All rights reserved
Forretningssystem
og
nettbutikkløsning
levert av
Multicase™ Norge AS
Logg inn / Ny kunde
Registrer meg som kunde
Personvern
Salgsvilkår
Kundesenter
Kontakt oss
Tilbake